Bengkeltv – Mengenal Rangkaian Elektronik Sederhana Secara Lengkap. Mengenal rangkaian elektronik sederhana adalah langkah pertama yang penting bagi siapa saja yang tertarik untuk memahami dasar-dasar elektronika. Rangkaian ini biasanya terdiri dari komponen-komponen dasar seperti resistor, kapasitor, dioda, dan transistor, yang disusun sedemikian rupa untuk menjalankan fungsi tertentu.
Meskipun sederhana, rangkaian elektronik ini sering digunakan dalam berbagai perangkat sehari-hari, seperti alat-alat elektronik rumah tangga dan perangkat komunikasi. Dalam artikel ini, kita akan mengulas berbagai jenis rangkaian elektronik sederhana, fungsinya, serta cara kerjanya, yang dapat menjadi dasar yang kuat untuk memahami konsep elektronika yang lebih kompleks.
Apa itu Rangkaian Elektronik Sederhana?
Rangkaian elektronik sederhana adalah susunan komponen elektronik yang dihubungkan untuk melakukan fungsi tertentu. Biasanya, rangkaian sederhana ini terdiri dari komponen dasar seperti resistor, kapasitor, transistor, dan dioda, yang dirangkai sedemikian rupa untuk menjalankan tugas dasar, misalnya menyalakan lampu LED, menghasilkan suara, atau mendeteksi cahaya. Rangkaian elektronik sederhana sering digunakan sebagai proyek pemula bagi mereka yang baru belajar tentang elektronik, karena struktur rangkaiannya mudah dipahami dan aman untuk diujicobakan.
Penyambungan berbagai komponen ini bisa dilakukan dengan menggunakan kabel penghubung pada papan breadboard, yang memungkinkan pengaturan dan perubahan komponen tanpa perlu menyolder. Untuk proyek yang lebih permanen, komponen dapat disolder pada PCB (Printed Circuit Board) agar lebih kokoh dan tahan lama. Dengan memahami konsep dasar dari penyusunan rangkaian elektronik ini, pemula bisa memulai eksperimen sederhana, seperti membuat rangkaian lampu LED berkedip, mengontrol suara menggunakan potensiometer, atau bahkan merangkai bel pintu sederhana.
Rangkaian Elektronik Sederhana untuk Pemula
Memulai dengan proyek-proyek sederhana dapat sangat membantu bagi mahasiswa teknik yang baru belajar tentang elektronika. Keberhasilan dalam proyek awal sering kali menjadi faktor penentu keberlanjutan minat dan motivasi mereka dalam bidang ini. Sayangnya, banyak mahasiswa yang berhenti karena mengalami kegagalan pada percobaan pertama. Pengalaman ini kadang membuat mereka salah paham dan merasa bahwa hasil yang sukses sulit dipertahankan dari satu percobaan ke percobaan berikutnya. Oleh karena itu, bagi para pemula, sebaiknya mencoba proyek-proyek dasar yang memberikan hasil positif sejak awal, sehingga meningkatkan kepercayaan diri dan motivasi mereka.
Berikut adalah enam proyek rangkaian elektronik sederhana yang ideal untuk pemula. Merancang dan memahami rangkaian ini dapat membantu membangun fondasi yang kuat sebelum beralih ke rangkaian yang lebih kompleks.
1. Rangkaian Lampu DC

Rangkaian lampu sederhana ini memanfaatkan catu daya DC untuk menyalakan LED kecil, yang memiliki dua terminal: anoda (+) dan katoda (-). Terminal positif lampu dihubungkan ke anoda baterai, sementara terminal negatif terhubung ke katoda baterai. Sakelar ditempatkan di antara kabel untuk mengatur aliran tegangan DC ke LED. Rangkaian ini membantu pemula memahami dasar polaritas dan pengaliran arus dalam rangkaian sederhana.
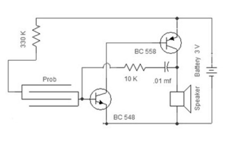
2. Rangkaian Alarm Hujan

Rangkaian ini memberikan peringatan saat hujan mulai turun, sehingga sangat berguna untuk melindungi barang-barang yang rentan terhadap air. Komponen yang dibutuhkan termasuk probe, resistor 10K dan 330K, transistor BC548 dan BC558, baterai 3V, kapasitor 0,1uF, dan speaker. Saat air hujan menyentuh probe, arus akan mengalir dan mengaktifkan transistor Q1 (NPN), yang pada gilirannya mengaktifkan transistor Q2 (PNP). Proses ini menyebabkan speaker berbunyi sebagai peringatan.
3. Monitor Suhu Sederhana

Rangkaian ini bekerja sebagai indikator untuk menunjukkan bila tegangan baterai turun di bawah 9V, cocok untuk memantau level daya pada baterai kecil 12V yang sering digunakan dalam sistem alarm dan perangkat portabel. Cara kerja rangkaian ini berdasarkan bias pada terminal basis transistor T1. Jika tegangan baterai lebih dari 9V, transistor dan LED akan tetap mati. Namun, jika tegangan turun di bawah 9V, kapasitor C1 akan melepaskan muatannya melalui LED, menyalakan indikator untuk menunjukkan tegangan rendah.
4. Rangkaian Sensor Sentuh

Rangkaian sensor sentuh sederhana ini dibangun menggunakan tiga komponen utama: resistor, transistor, dan LED (dioda pemancar cahaya). Resistor dan LED dihubungkan secara seri ke catu daya positif dan ke terminal kolektor transistor. Pilih nilai resistor yang memungkinkan arus LED sekitar 20mA untuk menghindari kerusakan. Selanjutnya, sediakan dua sambungan terbuka—satu menuju suplai positif (+) dan satu lagi ke terminal basis transistor. Saat kedua ujung ini disentuh dengan jari, rangkaian akan aktif dan LED menyala.
5. Rangkaian Multimeter

Multimeter adalah rangkaian dasar yang sangat berguna dalam elektronik, digunakan untuk mengukur tegangan, resistansi, dan arus pada rangkaian. Multimeter dapat digunakan untuk parameter DC maupun AC. Alat ini terdiri dari galvanometer yang dihubungkan dengan resistansi secara seri untuk mengukur berbagai parameter. Untuk mengukur tegangan di seluruh rangkaian, probe multimeter ditempatkan pada titik pengukuran. Multimeter ini sering digunakan untuk memeriksa kontinuitas pada lilitan motor.
6. Rangkaian Flasher LED

Rangkaian lampu LED flasher bekerja menggunakan komponen utama seperti timer IC 555, yang dikenal untuk aplikasi penyalaan lampu berkedip. Timer 555 dan komponen pendukung seperti kapasitor dan dua resistor mengatur durasi waktu nyala dan mati LED secara bergantian. Dengan mengubah waktu pengisian pada kapasitor, interval nyala-mati LED dapat diatur. IC 555 mengatur kapan LED menyala dan mati dalam siklus tertentu, sementara resistor digunakan untuk membatasi arus agar tidak merusak LED.
Penutup
Sebagai penutup, memulai proyek dengan rangkaian elektronik sederhana adalah langkah tepat bagi pemula yang ingin memahami dasar-dasar elektronika. Rangkaian-rangkaian ini tidak hanya membantu melatih keterampilan praktis, tetapi juga meningkatkan pemahaman akan fungsi dan cara kerja setiap komponen dalam sebuah sirkuit.
Dengan keberhasilan dalam proyek awal, Anda akan semakin termotivasi untuk mencoba rangkaian yang lebih kompleks di masa depan. Semoga artikel ini memberi inspirasi bagi Anda untuk menjelajahi lebih jauh dan memanfaatkan rangkaian elektronik sederhana dalam proyek-proyek menarik berikutnya.